芯城品牌采购网 > 品牌资讯 > 全部资讯

ANEN电源系列连接器简介ANEN电源系列连接器系列主要包括单极和双极(电池)连接器外壳、压接式嵌入触点和附件。外壳有各种颜色。双极外壳拥有不同的极性配置。不同颜色用于标识不同的键控配置,只有相应颜色的外壳方可进行插接。此功能可用来帮助识别不同的电压额定值。触点为冷成型或冲压成型,具体视连接器系列而定。根据近似的电流承载能力,ANEN电源系列连接器可分为八个系列。ANEN电源系列连接器功能单极和双

芯城品牌采购网

33167

51单片机开发板介绍开发板(evaluationboardordemoboard)是用来进行嵌入式系统开发的电路板,包括中央处理器、存储器、输入设备、输出设备、数据通路/总线和外部资源接口等一系列硬件组件。开发板一般由嵌入式系统开发者根据开发需求自己订制,也可由用户自行研究设计。在一般的嵌入式系统开发过程中,硬件一般被分成两个平台,一个是开发平台(host),一个是目标平台(target)即开发板

芯城品牌采购网

34558

EV系列工业连接器-芯城品牌采购网

EV系列工业连接器技术参数特征--带锁扣设计,可确保新产品在非正常状态下不脱落;--防触摸保护,有助防止手指不小心接触工作中的端子;--该产品可设置多种电压编码销,防止不同电压的产品误插;--适合恶劣的工作环境,搞UV;--本产品可与同行中同类产品互相匹配;--产品符合IEC62196、SAEJ1772标准.EV系列工业连接器产品特点•自锁式结构•防触摸保护设计•多种电压编码梢•抗UV,适合恶劣环

芯城品牌采购网

30438

90度侧插板对板连接器主要参数额定电压:ACDC60(V)耐压:250(V/min)额定电流:0.5A/Terminal绝缘电阻:2000m(Ω)导通电阻:30m(Ω)温度范围:-55--85(℃)间距:0.3MM0.4MM0.5MM0.65MM0.8MMPIN数:10P12P14P16P18P20P22P24P26P28P30P32P34P36P38P40P42P44P50P60P80P规格:单

芯城品牌采购网

27381

板对板连接器简介英文名称:Board-to-boardConnectors板对板连接器是目前所有连接器产品类型中传输能力最强的连接器产品,主要应用于电力系统、通信网络、金融制造、电梯、工业自动化、医疗设备、办公设备、家电、军工制造等行业。目前板对板连接器主要的间距有0.4mm、0.5mm、0.635mm、0.8mm、1.00mm、1.27mm。板对板连接器原理板对板连接器的主要技术特点是板对板公母

芯城品牌采购网

26954

CAN总线控制器-芯城品牌采购网

CAN总线控制器原理还是以SJA1000为例,其中CAN核心模块根据CAN总线协议控制数据帧的发送和接收;接口管理逻辑模块提供SJA1000与主微处理器或其它设备的连接,主微处理器可以通过数据/地址复用总线和读写控制逻辑访问SJA1000的所有寄存器;发送缓冲区可以存储一个完整的标准或扩展的报文,当主微处理器要求SJA1000发送报文时,接口管理逻辑操纵CAN核心模块将发送缓冲区中的报文发送到CA

芯城品牌采购网

30649

AMP连接器简介AMP(安普)是(泰科电子公司)位于美国WalthamMassachusetts的一个著名品牌。它全球电气、电子和光纤连接器以及互连系统的首要供货商。作为全球通信器件和电缆产品的主导厂商,AMPNETCONNECT是泰科电子公司的一部分,可为各种建筑物的布线系统提供完整的产品和服务。美国安普公司(AMPInc.)是泰科(TycoElectronics)国际有限公司的子公司。安普成立

芯城品牌采购网

24742

AB双液点胶机概述AB双液点胶机1、AB双液点胶机,又称AB胶涂胶机,双组份点胶机,双液灌胶机、AB胶打胶机等,是专门为解决AB胶水、双组份胶水、多组分流体自动混合和定量点胶而研发的点胶机。AB双液点胶机是点胶机中的其中一个分支,与单组份点胶机相并列。AB双液点胶机分类市场上AB双液点胶机主要有1)气压式AB双液点胶机(气压驱动)2)齿轮式AB双液灌胶机(齿轮驱动)3)高粘度AB双液点胶机(高压泵

芯城品牌采购网

24986

BX限位开关产品描述火焰通道是一个处干开关腔和开关头以及外壳螺线之间的扩展活塞。火焰通道是专门为野外使用的环境封装以及为易然气体、尘土环境设计。它们可以通过一个连接板与HDLS交互使用。所有的开关头都在90°增量下可进行磁场调节。侧转杆BX系列可经过调整用于顺时针和逆时针激励。BX防爆限位开关是为了恶劣环境用户特别设计的。BX系列的设计是针对腐蚀、水、尘土、和油类进行的密封,这些外环境在NEMA1

芯城品牌采购网

24598

云母电容器简介云母电容是采取金属箔或者在云母片上喷涂银层做的电极板,极板和云母层层叠合,最后压铸在胶木粉或者封固在环氧树脂中制成的方式制成。云母电容主要应用于精密仪器设备,现代通信仪表设备以及家用的收音机、功放机、电视机等。但云母电容也有缺憾,体积大,容量小就是其最大的硬伤。云母电容器结构特点云母电容器的介质为云母片,电极有金属箔式的和金属膜式的。早先的云母电容器是由金属箔或在云母片表面上喷银构成

芯城品牌采购网

28870

360度全景摄像头介绍360度全景摄像头可无盲点监测覆盖面积400左右平方米,设有一个鱼眼镜头,拥有360度全景视图。一台360度全景摄像头可以取代多台普通的摄像机,做到了无缝监控,实现了监控新应用,应用于各个领域,其中包括监所,政府机关,银行、社会安全、公共场所、文化场所等。360全视界鸟瞰全景行车辅助系统通过安装在车身前后左右的4个广角摄像头,同时采集车辆四周的影像,经过图像处理单元矫正和拼接

芯城品牌采购网

29370

EL357特性电流传输比(CTR:MIN.50%atIF=5mA,VCE=5V)。输入端与输出端之间的最大绝缘电压(Viso=3750Vrms)。无铅,符合RoHS要求。紧凑4针SOP封装。EL357描述引脚配置:1.阳极的2.阴极的3.发射器EL357系列包含一个红外发光二极管,光耦合的光电晶体管,它是打包在一个4小外形封装。EL357应用家电系统,测量仪器;寄存器,复印机,自动售货机;家用电器

芯城品牌采购网

21945

铝电解电容器-芯城品牌采购网

铝电解电容器简介铝电解电容器是以金属铝箔为阳极,以其表面上的Al2O3为工作介质,以工作电解质为实际阴极,以另一金属铝箔为引出阴极而组成的电解电容器。主要的阀金属有铝、钽、铌、钛等。因为铝矿蕴藏丰富,具有较好的延展性,化成工艺及成本较为经济,所以铝电解电容器得到了非常广泛的应用。铝电解电容器材料构成铝电解电容器主要原材料:阳极箔、阴极箔、电解纸、电解液、导箔、胶带、盖板、铝壳、华司、套管、垫片等。

芯城品牌采购网

31221

COD在线监测仪简介COD在线自动监测仪属废水在线检测系统,COD(化学需氧量)是国家环保总局对污染源实施在线自动监测的主要项目。1996年随着我国第一批(北京中瑞能、连华、5B-5,怡文、普析等)具有自主研发产权的COD在线自动监测仪通过国家环保总局的认证,到目前为止COD自动在线监测系统在全国废水监测领域已经发挥了重要的作用。COD在线监测仪适合工厂工业废水排放的自动监测及污水处理过程的水质监

芯城品牌采购网

32281

Arm9介绍ARM9采用哈佛体系结构,指令和数据分属不同的总线,可以并行处理。在流水线上,ARM7是三级流水线,ARM9是五级流水线。由于结构不同,ARM7的执行效率低于ARM9。平时所说的ARM7、ARM9实际上指的是ARM7TDMI、ARM9TDMI软核,这种处理器软核并不带有MMU和cache,不能够运行诸如linux这样的嵌入式操作系统。而ARM公司对这种架构进行了扩展,所以有了ARM71

芯城品牌采购网

34756

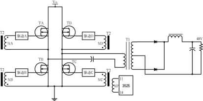
IGBT驱动电路-芯城品牌采购网

IGBT驱动电路简介IGBT综合了以上两种器件的优点,驱动功率小而饱和压降低。非常适合应用于直流电压为600V及以上的变流系统如交流电机、变频器、开关电源、照明电路、牵引传动等领域。图1所示为一个N沟道增强型绝缘栅双极晶体管结构,N+区称为源区,附于其上的电极称为源极。N+区称为漏区。器件的控制区为栅区,附于其上的电极称为栅极。沟道在紧靠栅区边界形成。在漏、源之间的P型区(包括P+和P一区)(沟道

芯城品牌采购网

31151

可调电容器产品性能介绍可调电容在实际的电路应用中根据其封装方式的不同分为贴片可调电容(SMD),插件可调电容(DIP);根据制造材料的不同又可分为陶瓷可调电容,PVC可调电容,空气可调电容等。通常在实际的电路应用上微调电容与可调电容是有区别的,表现在:微调电容:让两极板的距离、相对位置或面积可调,便构成微调电容.它的介质有空气、陶瓷、云母、薄膜等。可调电容一般有陶瓷介质和薄膜介质,陶瓷介质的高频特

芯城品牌采购网

29541

氧化铌电容器特性NbO电容器的基本电特性包括:容量范围:10µF~470µF,额定最高到1000µF,外壳尺寸符合EIA(美国电子工业协会)的A到E标准。AVX公司的OxiCapGeneric系列NbO电容的可靠性为0.5%/1000小时(两倍于钽电容),Performance系列的可靠性则为0.2%/1000小时。可靠性NbO电容器具有非常有效的自愈特性,因而能够保证比其他商用电容器技术更优越的

芯城品牌采购网

27743

IC卡热量表分类IC卡热量表按流量计种类划分1、机械式热量表采用机械式流量计的热量表的统称。机械式流量计的结构和原理与热水表类似,具有制造工艺简单,相对成本较低,性能稳定,计量精度相对较高等优点。在DN25以下的户用热量表当中,无论是国内还是国外,几乎全部采用机械式流量计。由于机械式热表因其经济、维修方便和对工作条件的要求相对不高,在热水管网的热计量中又占据主导地位。2、超声波式热量表采用超声波式

芯城品牌采购网

32450

安规电容器-芯城品牌采购网

安规电容器简介安规电容失效后,不会导电,也不危及人身安全,它包含X电容和Y电容。X电容是跨接在电力线两线(L--N)之间的电容,一般选用金属薄膜电容;Y电容是分别跨接在电力线两线和地之间(L--E,N--E)的电容,一般是成对出现。基于漏电流的限制,Y电容值不能太大,一般X电容是微法级,Y电容是纳法级。X电容抑制差模干扰,Y电容抑制共模干扰。安规电容器特性参数一、标称安规电容量和允许偏差标称安规电

芯城品牌采购网

31330

A-B变频器简介PowerFlex440系列是PowerFlex变频器家族尺寸最小并且效率最高的成员。它们是为满足全球OEM和最终用户对于灵活性,节省空间和使用方便的要求而设计的产品,具有以下的特点:4.1、电压/频率控制(PowerFlex4,40)和无速度传感器矢量控制(仅限于PowerFlex40)4.2、通过on-machineArmorStart提供IP67/NEMA4防护等级4.3、安

芯城品牌采购网

30895

AMD700芯片组系列产品简介支援处理器AMD PhenomII系列 Phenom系列 AthlonII系列AthlonX2系列 Athlon64系列 Sempron系列支援插座SocketF+/F(790FX/DSDC)SocketAM3,SocketAM2+,AM2芯片组制程65nm(790FX,790X,770)55nm(790GX,785G,780系列,760G)桌面/手提电脑芯片组发烧级

芯城品牌采购网

31899

AMP水晶头简介RJ-45插头是一种只能沿固定方向插入并自动防止脱落的塑料接头,俗称“水晶头”,专业术语为RJ-45连接器(RJ-45是一种网络接口规范,类似的还有RJ-11接口,就是我们平常所用的“电话接口”,用来连接电话线)。之所把它称之为“水晶头”,是因为它的外表晶莹透亮的原因。双绞线的两端必须都安装这种RJ-45插头,以便插在网卡(NIC)、集线器(Hub)或交换机(Switch)的RJ-

芯城品牌采购网

24173

贴片电容-芯城品牌采购网

贴片电容封装的尺寸规格贴片电容规格一般常见封装尺寸为:0201,0402,0603,0805,1206,容量范围一般在0.5pF~1uF。1210,1812,1825,2225,3012、3035为大规格贴片电容,容量范围在1uF~100uF。常见贴片电容封装尺寸英制与公制尺寸对照表见如下:贴片电容命名方法贴片电容的命名,国内和国外的产家有一些区别但所包含的参数是一样的贴片电容的命名所包含的参数:

芯城品牌采购网

30108

BNC接头介绍BNC接头是监控工程中用于摄像设备输出时导线和摄像机的连接头。有别于普通15针D-SUB标准接头的特殊显示器接口。由RGB三原色信号及行同步、场同步五个独立信号接头组成。主要用于连接工作站等对扫描频率要求很高的系统。BNC接头可以隔绝视频输入信号,使信号相互间干扰减少且信号频宽较普通D-SUB大,可达到最佳信号响应效果。BNC接头,是一种用于同轴电缆的连接器,全称是BayonetNu

芯城品牌采购网

26509

LC概述LC型连接器是著名Bell(贝尔)研究所研究开发出来的光纤连接器类型,采用操作方便的模块化插孔(RJ)闩锁机理制成。其所采用的插针和套筒的尺寸是普通SC、FC等所用尺寸的一半,为1.25mm。这样可以提高光纤配线架中光纤连接器的密度。当前,在单模SFF方面,LC类型的连接器实际已经占据了主导地位,在多模方面的应用也增长迅速。LC型连接器类型已经被IEC标准所采纳,相关的标准号为:IEC61

芯城品牌采购网

22146

485转换器产品特点支持RS-232到RS-485/422转换,转换方式可以自动选择。点到多点可允许连接32个RS-422或RS-485接口设备数据通讯速率从0-115.2KBPS。发送数据(TXD)自动流控,零延时设计。电气接口:两端为DB9公、母头,RS-485接口为7位接线端子。光电隔离加强型(隔离电压3500V脉冲/500V连续)、专用DC/DC模块,RS-422/485每线600W的防雷

芯城品牌采购网

26487

BZD防爆倒顺开关产品特点1.铸铝合金外壳,表面喷塑.2.内装转换开关,用于电流60A以下的电气线路中,作为电源引入开关,并可控制电动机起动、变速、停止、换向等.3.钢管或电缆布线均可.4.符合GB3836-2000,IEC60079标准要求.BZD防爆倒顺开关技术参数型号:BZD电缆外径:10~22mm额定电压:220v、380v额定电流:60A、100A防爆标志:ExedIIBT6、ExedI

芯城品牌采购网

28441

B类放大器基本简介B类放大器的定义B类(乙类)放大器在正半周(或者负半周)内器件导通时间为50%的一种工作类别,处于放大状态的为B类.B类放大器的工作原理的解释可以是:输出级中两个输出功率管,其输出电压的控制存在一个相当显著的转换,来源于两个功率管在相音的开通和关闭。B类放大器特点这类放大器可以说是最为流行的一种放大器,也许目前所生产的放大器有99%是属于这一类。B类放大器的主要特点是:无论是晶体

芯城品牌采购网

26648

BK变压器特点一、适用范围  BK系列变压器(以下简称变压器)适用于50-60Hz电压至500V的电路中,通常用作机床控制电器局部照明灯及指示的电源之用。二、结构特征  BK系列变压器按结构可分为壳式,按安装方式可分为立式。三、使用环境  周围空气温度-5℃至+40℃,24小时平均值不超过+35℃;安装地点海拔不超过2000M;大气相对湿度在周围空气温度为+40℃时不超过50%,在较低温度下可以有

芯城品牌采购网

30326

AMB芯片介绍AMB芯片是集数据传输控制、并一串数据转换功能的芯片。为了满足日益提高的性能及容量要求,新一代内存系统引入了全缓冲双列直插内存模组(FB-DIMM)架构。这种FB-DIMM内存架构以AMB芯片为核心,通过高速、串行、点对点的接口与内存控制器及其它的FB-DIMM通信,解决了传统并行式内存架构速度与容量难以兼顾的问题,使服务器和高性能计算机的性能有了质的飞跃,但同时也带来了能耗问题。由

芯城品牌采购网

26307

薄膜电容器简介薄膜电容(FilmCapacitor)器又称塑料薄膜电容(PlasticFilmCapacitor)。其以塑料薄膜为电介质。薄膜电容器是以金属箔当电极,将其和聚乙酯,聚丙烯,聚苯乙烯或聚碳酸酯等塑料薄膜,从两端重叠后,卷绕成圆筒状的构造之电容器。而依塑料薄膜的种类又被分别称为聚乙酯电容(又称Mylar电容),聚丙烯电容(又称PP电容),聚苯乙烯电容(又称PS电容)和聚碳酸电容。薄膜电

芯城品牌采购网

25978

485中继器介绍485中继器是光隔离的RS-485/422的数据中继通信产品,可以中继延长RS-485/422总线网络的通信距离,增强RS-485/422总线网络设备的数目。可以将485总线进行光电隔离,防止共模电压干扰。可以支持RS-485总线与RS-422总线的自动切换。对各个串口端口进行有效隔离、电源隔离,使得总线电压差的问题得到解决,杜绝了RS485数据并线的施工质量隐患问题。研通485中

芯城品牌采购网

29049

钽电容器简介钽电容全称是钽电解电容(也有人叫钽质电容器),属于电解电容的一种,使用金属钽做介质,不像普通电解电容那样使用电解液,因此适合在高温下工作,是电容器中体积小而又能达到较大电容量的产品,在电源滤波、交流旁路等用途上少有竞争对手。钽电容器优缺点分析优点:钽电容本身几乎没有电感,但这也限制了它的容量。此外,由于钽电容内部没有电解液,很适合在高温下工作。钽电容的特点是寿命长、耐高温、准确度高、滤

芯城品牌采购网

26057

12V继电器工作原理继电器是一种当输入量达到一定值时,输出量将发生跳跃式变化的自动控制器件。继电器并非以机械方式控制,而是一种以电磁力来控制切换方向的电门。当线圈通电后,会使中心的软铁核心产生磁性,将横向的摆臂吸下,而臂的右侧则迫使电门接点相接,使两接点形成通路。当电磁继电器线圈两端加上一定的电压或电流,线圈产生的磁通通过铁心、轭铁、衔铁、磁路工作气隙组成的磁路,在磁场的作用下,衔铁吸向铁心极面,

芯城品牌采购网

23968

晶体振荡器简介晶振是石英晶体谐振器(quartzcrystaloscillator)的简称,也称有源晶振,它能够产生中央处理器(CPU)执行指令所必须的时钟频率信号,CPU一切指令的执行都是建立在这个基础上的,时钟信号频率越高,通常CPU的运行速度也就越快。只要是包含CPU的电子产品,都至少包含一个时钟源,就算外面看不到实际的振荡电路,也是在芯片内部被集成,它被称为电路系统的心脏。晶体振荡器工作原

芯城品牌采购网

25715

半导体简介半导体指常温下导电性能介于导体与绝缘体之间的材料。半导体在集成电路、消费电子、通信系统、光伏发电、照明、大功率电源转换等领域都有应用,如二极管就是采用半导体制作的器件。无论从科技或是经济发展的角度来看,半导体的重要性都是非常巨大的。大部分的电子产品,如计算机、移动电话或是数字录音机当中的核心单元都和半导体有着极为密切的关联。常见的半导体材料有硅、锗、砷化镓等,硅是各种半导体材料应用中最具

芯城品牌采购网

28746

无源元件定义如果电子元器件工作时,其内部没有任何形式的电源,则这种器件叫做无源器件。从电路性质上看,无源器件有两个基本特点:(1)自身或消耗电能,或把电能转变为不同形式的其他能量。(2)只需输入信号,不需要外加电源就能正常工作。无源元件种类电子系统中的无源器件可以按照所担当的电路功能分为电路类器件、连接类器件。1、电路类器件(1)二极管(diode)(2)电阻器(resistor)(3)电阻排(r

芯城品牌采购网

25919

射频简介射频(RF)是RadioFrequency的缩写,表示可以辐射到空间的电磁频率,频率范围从300kHz~300GHz之间。射频就是射频电流,简称RF,它是一种高频交流变化电磁波的简称。每秒变化小于1000次的交流电称为低频电流,大于10000次的称为高频电流,而射频就是这样一种高频电流。射频(300K-300G)是高频(大于10K)的较高频段,微波频段(300M-300G)又是射频的较高频

芯城品牌采购网

31711

2512贴片电阻命名方法国内贴片电阻的命名方法:1、5%精度的命名:RS-05K102JT2、1%精度的命名:RS-05K1002FTR-表示电阻S-表示功率0402是1/16W、0603是1/10W、0805是1/8W、1206是1/4W、1210是1/3W、1812是1/2W、2010是3/4W、2512是1W。05-表示尺寸(英寸):02表示0402、03表示0603、05表示0805、06

芯城品牌采购网

28097

端子-芯城品牌采购网

端子定义公端子(阳端子)=一般为公连接器所匹配的端子[英文名一般Plug,Tab,Maleterminal]母端子(阴端子)=一般为母连接器所匹配的端子[英文名一般叫Socket,Receptacle,femaleterminal]端子种类端子的种类繁多,有:接线端子、环形接地端子、带扣端子、带锁端子、护套端子、半绝缘端子、插簧端子、不锈钢端子、U型端子、保险丝端子、直型端子、自锁端子、直角端子、

芯城品牌采购网

30663

BJT原理BJT是由2块N型半导体中间夹着一块P型半导体所组成,发射区与基区之间形成的PN结称为发射结,而集电区与基区形成的PN结称为集电结,三条引线分别称为发射极e、基极b和集电极。当b点电位高于e点电位零点几伏时,发射结处于正偏状态,而C点电位高于b点电位几伏时,集电结处于反偏状态,集电极电源Ec要高于基极电源Ebo。在制造BJT时,有意识地使发射区的多数载流子浓度大于基区的,同时基区做得很薄

芯城品牌采购网

26504